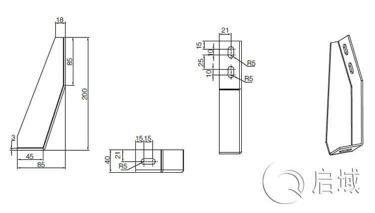
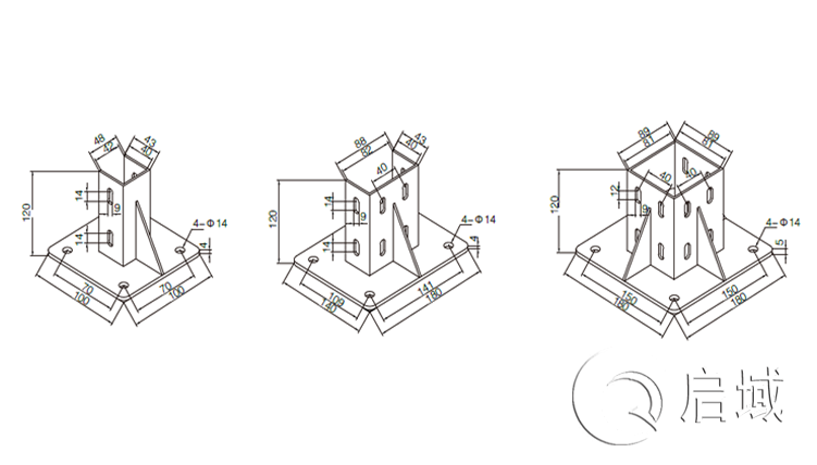
工业铝型材该如何安装地脚呢?回答这个问题要了解什么地脚?它的作用是什么?工业铝型材的地脚连接件分为通用型地脚角件和方形地脚角件。通用型的地脚角件分左右,通常一左一右搭配着用;方形地脚角件的规格有很多种,比如:3030,4040,4080,等??筛菘突褂眯筒拇笮《ㄖ?。下图分别为方形地脚角件和通用型地脚角件。
其实不管是通用型的地脚角件和方形地脚角件,用途是一样的,适用于型材支架的地脚支撑,需要根据型材的尺寸选定大小,连接用螺栓,螺母及膨胀螺栓。目的是把铝型材固定住在一个地方,不能随意的搬动,这也是它与蹄角的主要区别。通过作用就可以看出来安装地脚是很方便的。把地脚的一端固定在铝型材上,另一端固定在地面上就可以了。前提选好螺栓螺母,铝型材和固定的场地。
上海启域是生产铝型材及铝型材配件的厂家。我们有技术团队可以指导客户如何的选择和安装适合的铝型材及铝型材配件。也可以根据客户不同的需求设计加工制造各种规格的铝型材及配件。如果您还想了解其他的,您可以拨打我们的电话:021-67658689。
《该文章来源于上海启域金属有限公司 网址:http://yunyang.untbitm.cn/转载请注明》
下一篇:铝型材框架—L型连接板连接上一篇:上海启域铝型材工作台加工厂家




沪公网安备31011702001213号
扫一扫,关注手机站