大家好,启域又和大家见面了。作为一家的铝型材及配件的厂家,铝型材自然是多种多样的,仅是国标15系列铝型材就有1530G,1560G和1590G三种规格的,我们去了解这三种15系列国标铝型材。
首先呢,它们都是铝合金型材,材质肯定是一样的,还是老样子,先上图做比较:
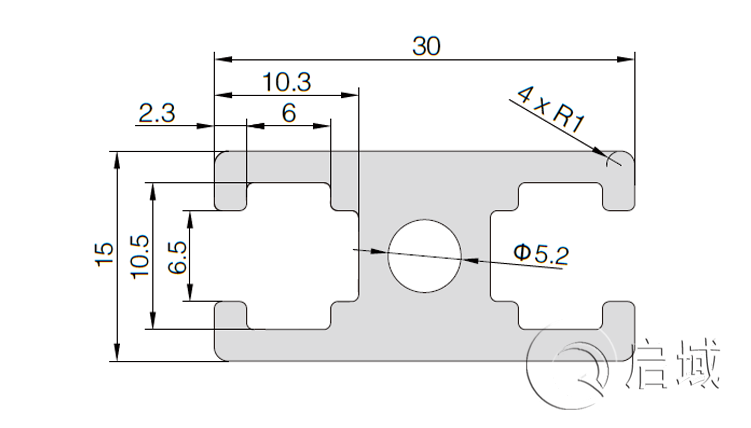
国标1530G
国标1560G
国标1590G
从上面几张产品图纸,很直观的能看出来,这三种15系列国标铝型材的槽宽都是6mm,长度为15mm,只是宽度不同。像这种比较轻型的铝型材,适用于轻型结构的框架组合。
区别在于国标1530G,常用于制作门框,而1560G和1590G一般用于如机罩、仪器机架、展示栏等,简洁而又高雅,常用于做台面。
当然,搭配也是不同的。1530G使用配件为1530专用角槽连接件。如需做其他用处,槽内可使用对边为10mm的四方螺母。1560G和1590G一样,通常采用对边为10mm的M5、M6四方螺母与高强度圆柱头内六角螺栓连接方式,或10F系列T形螺母与圆柱头内六角螺栓,也可采用10F系列T形螺栓与法兰螺母连接。此型材6060双槽面可安装6060角件。
经过观察和比较,相信大家对这三种15系列国标铝型材应该了解了,启域工业铝型材规格齐全,如您有铝型材方面的需要,请致电021-67658689.
《该文章来源于上海启域金属有限公司原创 网址:http://yunyang.untbitm.cn/转载请注明》







沪公网安备31011702001213号
扫一扫,关注手机站