早,喜欢一位诗人海子曾经说过,我们终都要远行,终都要跟稚嫩的自己告别。而我,很开心能进入启域这个大家庭,每天都在融洽的氛围中工作,感受着自己一步步的成长和进步,我明白我正以这样的方式与过去告别着。希望每个人每天都能有新的收获,时光荏苒,方能不负此生。
当然了,成年人的生活呢,还是要以工作为主,接下来呢,还是切入正题,继续讲咱们的工业铝型材。
上一篇给大家讲了国标2020G和欧标2020,其实不管是欧标或者国标,20系列还有几种规格,咱们分开来了解,先看20系列欧标铝型材。
20系列欧标铝型材主要有2020、2020黑色、2040、2060和2080,上一篇咱们讲过2020和2020黑色,来了解一下2040、2060和2080.
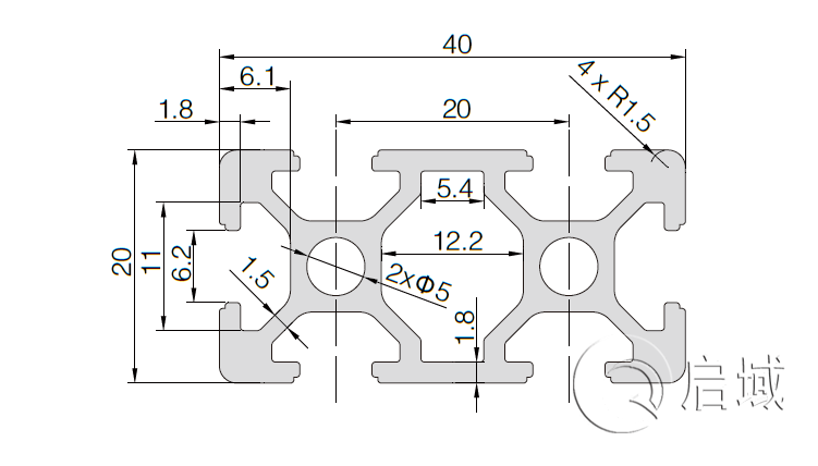
欧标2040
欧标2060
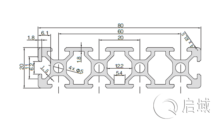
欧标2080
以上三种20系列欧标铝型材都是槽宽为6mm长度为20的工业铝型材,区别在于宽度分别为40、60和80,您可以根据自己的需要,选择适合的规格。这三种型材,广泛应用于大应力、高强度、支撑要求高的重载结构的框架组合,以及汽车、工厂自动化、工业??榻峁沟忍厥饬煊?,是工业框架应用广泛的型材之一。配套螺栓螺母:它通常采用20系列M5(多数)或M4专用T型螺母与内六角内部连接,如受力强度大可采用20系列滑块螺母与内六角螺栓内部连接,坚固可靠结实。
关于20系列欧标铝型材到这里也结束了,下回咱们接着讲20国标系列,不见不散。如有任何疑问,欢迎拨打021-67658689。
《该文章来源于上海启域金属有限公司原创 网址:http://yunyang.untbitm.cn/转载请注明》







沪公网安备31011702001213号
扫一扫,关注手机站