工业围栏我们都知道它是用工业铝型材组装而成,与型材相配合使用的配件种类也很多,种类多的原因也是根据用户需求进行种种试产后投入市场,在接下来的文章中将为大家介绍工业围栏底部使用的其中一种配件,方形地脚。
其实它的底部可用的支撑件很多,为什么要说工业围栏底部常用方形地脚做支撑件,大家在网上只要搜索看到的案例基本上都是这样的固定方式。
工业围栏的作用就是划分工作区域使得厂区区域清楚,工作井然有序,扩大场地利用率。大多数车间厂区都希望在小的空间里得到大的利用率,用工业围栏划分是比较机智的做法了。隔离保护机器和人员降低事故,很多时候机器人工作的时候是智能的听令与PLC和WMS系统的,人为干预或者靠近很容易造成事故危险。
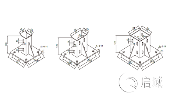
工业围栏的使用范围大,不会有经常挪动的现象,如果采用关节蹄脚或者脚轮、左右地脚等这些支撑件与地面接触面积小,稳固度不强,方形地脚就不同,它的接触面积大,它与地面连接使用的膨胀螺栓,膨胀螺栓连接强度是配件中牢固之选。
以上是对工业围栏选择方形地脚做底部支撑件做了简单的介绍,来上海启域这里有10多年经验丰富的技术人员一对一为客户量身定制不同结构的围栏防护。
该文章来自上海启域金属制品有限公司,禁止转载!原创文章已全网维权,侵权必究!
其实它的底部可用的支撑件很多,为什么要说工业围栏底部常用方形地脚做支撑件,大家在网上只要搜索看到的案例基本上都是这样的固定方式。
工业围栏的作用就是划分工作区域使得厂区区域清楚,工作井然有序,扩大场地利用率。大多数车间厂区都希望在小的空间里得到大的利用率,用工业围栏划分是比较机智的做法了。隔离保护机器和人员降低事故,很多时候机器人工作的时候是智能的听令与PLC和WMS系统的,人为干预或者靠近很容易造成事故危险。
工业围栏的使用范围大,不会有经常挪动的现象,如果采用关节蹄脚或者脚轮、左右地脚等这些支撑件与地面接触面积小,稳固度不强,方形地脚就不同,它的接触面积大,它与地面连接使用的膨胀螺栓,膨胀螺栓连接强度是配件中牢固之选。
以上是对工业围栏选择方形地脚做底部支撑件做了简单的介绍,来上海启域这里有10多年经验丰富的技术人员一对一为客户量身定制不同结构的围栏防护。
该文章来自上海启域金属制品有限公司,禁止转载!原创文章已全网维权,侵权必究!
此文关键字:工业围栏




沪公网安备31011702001213号
扫一扫,关注手机站