一年之计在春,一日之计在于晨。小编早早的就来跟新铝型材小知识了?;队蠹依吹?/span>启域铝型材小课堂。大家对铝型材不陌生但是大家知道铝型材和铝型材之间的联系方式有哪些吗?铝型材的连接总的分为两大类:直线连接和角度连接。要给大家介绍的是就是铝型材的直线连接方式有哪些?
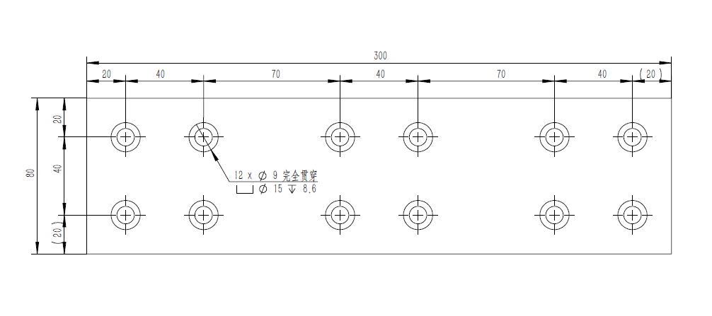
图二:一字连接板。材料:镀铬钢。一字连接板用途:用于两根型材之间直线加长连接,然后用紧定螺钉锁紧。属于型材外连接。(此款是加工定制款)
小编的讲解就到这里了。大家有什么疑问请致电:021-67658689上海启域金属。大家想了解更多的铝型材知识请关注启域官网,我们会每天给大家讲解不同的铝型材知识哦。
《该文章来源于上海启域金属有限公司原创 网址:http://yunyang.untbitm.cn/转载请注明》
铝型材的直线连接有两种:槽条连接件和一字连接板。
图二:一字连接板。材料:镀铬钢。一字连接板用途:用于两根型材之间直线加长连接,然后用紧定螺钉锁紧。属于型材外连接。(此款是加工定制款)
小编的讲解就到这里了。大家有什么疑问请致电:021-67658689上海启域金属。大家想了解更多的铝型材知识请关注启域官网,我们会每天给大家讲解不同的铝型材知识哦。
《该文章来源于上海启域金属有限公司原创 网址:http://yunyang.untbitm.cn/转载请注明》




沪公网安备31011702001213号
扫一扫,关注手机站