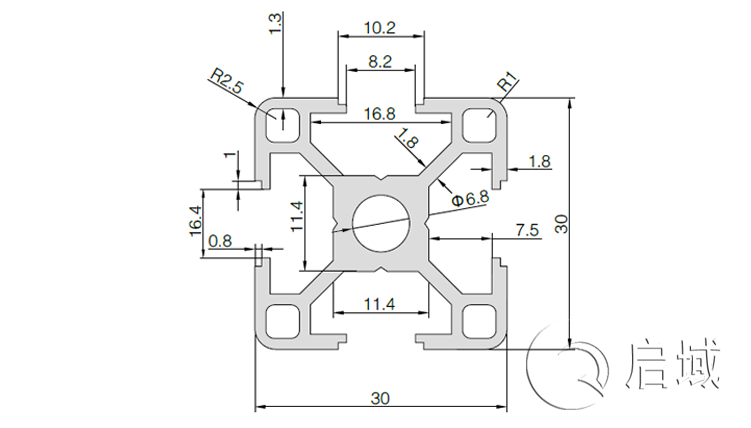
对于咱们欧标30系列工业铝型材来说,那规格可比20系列铝型材多多了,从这期开始,咱们就开始讲这个30系列的铝型材了, 老规矩,还是从欧标开始讲,讲完了欧标30系列铝型材再讲国标30系列工业铝型材,这款是欧标3030轻型铝型材。
欧标3030轻型铝型材产品货号为QY-8-3030L,属于槽8系列,它广泛应用于大应力、高强度、支撑要求高的重载结构的框架组合,是使用非常广泛的工业铝型材之一。欧标3030轻型铝型材的配套螺栓螺母使用也比较简单,通常是采用30系列专用T型螺母与内六角螺栓内部连接,当然,如果您想换种连接方式,也是可以的,主要还是根据您自己做的东西去搭配连接的。
以上就是我们这款欧标3030轻型铝型材的全部介绍,启域金属厂家直销欧标30系列工业铝型材,有需要的厂家们,可以联系启域金属:021-67658689.
《该文章来源于上海启域金属有限公司原创 网址:http://yunyang.untbitm.cn/转载请注明》





沪公网安备31011702001213号
扫一扫,关注手机站