工业铝型材规格常规型号就有上千种,这个已经给大家介绍过好多次了,但是市场需求不断在变化,型材规格也不能在原有的基础上不变,根据需求新开模的型材如果使用率比较大,厂家会将这款型材列为常规型材,今天这篇文章就来给大家介绍一款新规格,它的就是工业铝型材8080欧标轻型型材,下面就来详细给大家介绍这款型材。
为什么要增加这款工业铝型材8080欧标轻型型材呢?因为我们常规8080型材就四款它的米重比较大,米重数值大,也就意味着它的价格比较贵,在加上它们属于大截面型材,米重稍微增加一点,价格上就要差别不少。增加这款轻型从价格上面,以及使用上面能满足大家多方面的需求,下面我们就来详细介绍这款型材的截面数据以及常用配件使用吧!
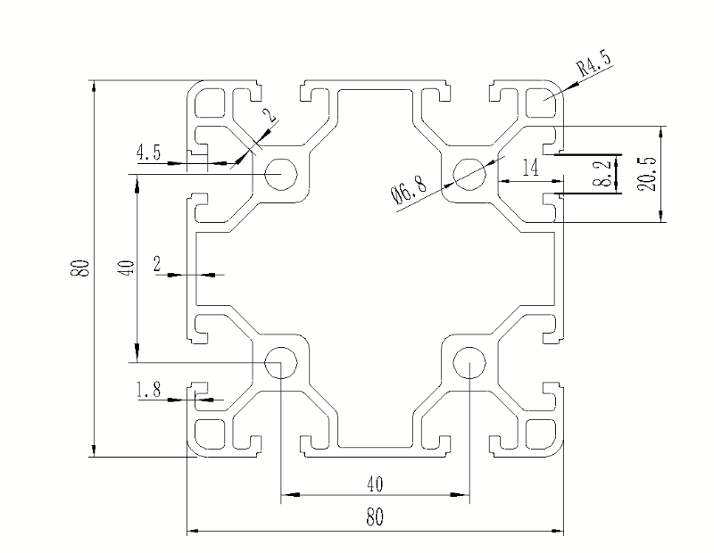
我们一起来看一下这个截面图纸,我们先看它的壁厚,因为我们在选型上面主要是先看壁厚是否能满足我们定制框架的要求,这款型材它的壁厚只有2毫米,它的槽宽是8.2毫米,从槽宽上面我就知道它的使用配件规格,使用40系列规格就可以了。
我们了解了截面数据,我们来看一下这款工业铝型材8080欧标轻型一般使用什么连接方式?使用哪款配件做紧固。
一般大截面型材我们会使用强力角件和强力直角支架,或者是这两款其中一种加上内六角螺栓做搭配,这样组合,做出来的框架承载力度就会加倍。横梁选择内置连接件做组装,或者就选择定制配件来做连接,例如不锈钢折弯件就是常用的一款配件。它要比我们前面介绍的几款配件连接强度高。下面有几个连接案例大家可以看看。
以上是对新增的一款工业铝型材8080欧标轻型材料做了简单介绍,希望文中内容能帮得到大家,上海启域专业生产型材及配件10余年行业经验,产品规格全,快至24H发货,根据需求可以量身定制异型材,量身定制框架,合作企业5000+,可提供丰富案例参考,欢迎咨询。
为什么要增加这款工业铝型材8080欧标轻型型材呢?因为我们常规8080型材就四款它的米重比较大,米重数值大,也就意味着它的价格比较贵,在加上它们属于大截面型材,米重稍微增加一点,价格上就要差别不少。增加这款轻型从价格上面,以及使用上面能满足大家多方面的需求,下面我们就来详细介绍这款型材的截面数据以及常用配件使用吧!
我们一起来看一下这个截面图纸,我们先看它的壁厚,因为我们在选型上面主要是先看壁厚是否能满足我们定制框架的要求,这款型材它的壁厚只有2毫米,它的槽宽是8.2毫米,从槽宽上面我就知道它的使用配件规格,使用40系列规格就可以了。
我们了解了截面数据,我们来看一下这款工业铝型材8080欧标轻型一般使用什么连接方式?使用哪款配件做紧固。
一般大截面型材我们会使用强力角件和强力直角支架,或者是这两款其中一种加上内六角螺栓做搭配,这样组合,做出来的框架承载力度就会加倍。横梁选择内置连接件做组装,或者就选择定制配件来做连接,例如不锈钢折弯件就是常用的一款配件。它要比我们前面介绍的几款配件连接强度高。下面有几个连接案例大家可以看看。
以上是对新增的一款工业铝型材8080欧标轻型材料做了简单介绍,希望文中内容能帮得到大家,上海启域专业生产型材及配件10余年行业经验,产品规格全,快至24H发货,根据需求可以量身定制异型材,量身定制框架,合作企业5000+,可提供丰富案例参考,欢迎咨询。




沪公网安备31011702001213号
扫一扫,关注手机站