-
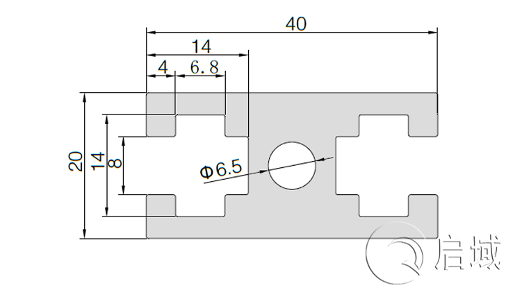
铝型材 QY-8-2040G
材料:铝合金
Material Aluminum(6063-T5)
单位质量Weight:1.43kg/m
长度Length:6.01m
用途:多用于制作门、窗边框全国服务热线:400-096-5058







|
上海启域金属制品有限公司 咨询热线:400-096-5058
021-67658689转8003
手机:13816329895
传真:021-67658536 邮箱:info@qiyu999.com 地址:上海市松江区车墩工业区泖亭路1056号 |
|
采购:铝型材 QY-8-2040G
- *联系人:
- *手机:
- 公司名称:
- 邮箱:
- *采购意向:
-
*验证码:
跟此产品相关的产品 / Related Products

- QY-内置连接件
- 货号:QY-内置连接件
材料:碳钢
规格:30 40 45
用途:当型材十字连接时或直角连接时均可选用该连接件

- 铝型材 QY-8-4040GA
- 材料:铝合金
Material Aluminum(6063-T5)
单位质量:1.48kg/m
长度:6.01m
集合惯性:1x:9.25 cm4 1y:9.25cm4
截面惯性:Zx:4.86cm3 Zy:4.86cm3

- 铝型材 QY-8-1640
- 材料:铝合金
Material Aluminum(6063-T5)
单位质量:1.38kg/m
长度:6.01m
集合惯性:1x:7.26 cm4 1y:1.13cm4
截面惯性:Zx:3.62cm3 Zy:1.42cm3
联系启域
服务热线400-096-5058
- 手机:13816329895
- 传真:021-67658536
- 邮箱:info@qiyu999.com
- 地址:上海市松江区车墩工业区泖亭路1056号


沪公网安备31011702001213号
扫一扫,关注手机站