相对于欧标工业铝型材,国标工业铝型材的规格就比较少了,20系列国标铝型材对应20系列欧标铝型材,它的规格也是少了不少,OK,我们现在就来看一下这款国标2020工业铝型材又有什么不同之处吧。
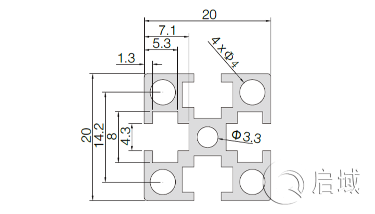
国标2020工业铝型材货号为QY-4-2020G,我们启域铝型材所有国标铝型材的货号后面都是带G的哦,所有只要看到咱们的货号后面有带G,那么这款肯定就是国标工业铝型材了,它和欧标2020铝型材不一样哦,这款国标2020工业铝型材是槽4系列的,它适用于轻型结构的框架组合。如机罩、仪器机架、展示栏等。通常采用对边为8mm的M4四方螺母与高强度内六角螺栓连接方式。
国标工业铝型材和欧标工业铝型材使用的螺丝螺母也是不一样的哦,所有大家在搭配的时候就要注意了,这期文章就到这里结束了,有需要这款铝型材的朋友可以联系启域金属:021-67658689,我们下期再见!
《该文章来源于上海启域金属有限公司原创 网址:http://yunyang.untbitm.cn/转载请注明》





沪公网安备31011702001213号
扫一扫,关注手机站